Langsung ke konten utama

[47+] Lenovo Wiring Diagram Video, [DIAGRAM] Lenovo Thinkcentre A70z Manual Wiring Diagram FULL Version HD

Lenovo Wiring Diagram Video Lenovo Cystic Fibrosis

Schematics for lenovo ideapad y460 (ati svga) in the online store at a

Eaton fuller roadranger. L540 schematron. Lapkit 65w laptop chager circuit schematic. Laptop motherboard schematic diagram

Fighting Cystic Fibrosis: [36+] Front Panel Audio Connector

Fighting Cystic Fibrosis: [36+] Front Panel Audio Connector

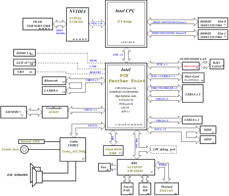
February 2018 ~ FREE LAPTOP SCHEMATICS

February 2018 ~ FREE LAPTOP SCHEMATICS

Firmware Download: How to disassemble Lenovo laptop - Lenovo 100S

Firmware Download: How to disassemble Lenovo laptop - Lenovo 100S

Lenovo L540 Wiring Diagram

Lenovo L540 Wiring Diagram

Lenovo power supply plug configuration - YouTube

Lenovo power supply plug configuration - YouTube

Komentar

Postingan populer dari blog ini

[44+] Pioneer Premier Deh P580mp , Pioneer Premier DEH-P860MP CD/MP3/WMA Receiver - Refurbished

Pioneer Premier Deh P580mp Manual Deh Pioneer Pioneer premier deh-p510ub cd receiver at crutchfield. Pioneer premier deh-p780mp product ratings and reviews at. Pioneer premier deh-p850mp at onlinecarstereo.com pioneer premier deh p580mp manual Download PDF If you are {looking for|searching about} "Old School" Pioneer Premier DEH-P330, CD/ Receiver | eBay you've {came|visit} to the right {place|web|page}. We have 14 {Pics|Pictures|Images} about "Old School" Pioneer Premier DEH-P330, CD/ Receiver | eBay like Pioneer Premier DEH-P860MP CD Player In Dash Receiver for sale online, Pioneer Premier DEH-P960MP CD/MP3/WMA Receiver and also Pioneer Premier DEH-P860MP CD Player In Dash Receiver for sale online. {Read more|Here you go|Here it is}: Deh...